MTT-2019 Manual Target Table

mtt

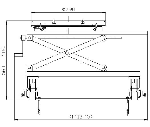
PROTOTYPA MTT-2019 Manual Target Table is designed for tests of ballistic protective materials. There are special T grooves in the circular top of the table for fastening the sample holders.

It is possible to move samples up and down by handle and to left and right on the rail attached to floor. It is also possible to set the samples into required position according to axis of the barrel by rotating of circular top. All setting operations are done manually. Manual target table is equipped with brakes against horizontal and rotational movement.

Whole construction is attached to the ground by stud bolts and chemical anchors.

MTT-2019 is possible to use for testing samples by smaller calibres up to 7,62 mm.



Main features of MTT-2019:

  • Simple manual control.
  • No need for electrical power.
  • Possibility of movement up, down, to left and to right.
  • Samples fastened onto holders can be turned and tested at the different angles.
  • T grooves are used for fastening the holders of samples in circular top plate.
  • Movement of movable parts of table during testing is limited by manual brakes.
  • Manual target table can be used for testing with calibres up to 7,62 mm.
  • Compatibility with PROTOTYPA equipment (e.g. – HF-1 head form, SMJF – Sample holders) is guaranteed.


Technical parameters of MTT-2019:

Maximum calibre 7,62 mm
Length  1200 mm
Width  800 mm 
Height 560 – 1160 mm (60.2 ins)
Turning table size Ø790 mm
Table turning range 360° stepless
Distance of transversal movement ± 300 mm
Max. weight of target placed on table 180 kg
Total weight max. 251 kg 

ARE YOU INTERESTED?

Fill our form and contact us...
THIS WEBSITE USES COOKIES
By clicking „Accept All“, you consent to their storage on your device, which helps with site navigation, data usage analysis, and our marketing efforts.
Find out more
  1. They are necessary for the site to work, so it is not possible to turn them off. They are usually set up in response to actions you have taken, such as requesting services related to security settings, logging in, filling out forms, and so on. You can set your browser to block cookies or send notifications about them. Keep in mind that some pages without these files will not work. These cookies do not store any personally identifiable information.
  2. They help track the number of visitors and also the source of the traffic, which allows us to improve the performance of the site. With them, we can determine which sites are the most popular and which are not popular, and we can also track how visitors navigate the site. All information that cookies collect is aggregated and anonymous. If you do not enable cookies, we will not know when you visited our site.
  3. These cookies can be set on our site by advertising partners. They can use them to profile your interests and show you ads on other sites. However, they do not store your personal information directly, but through the unique identifiers of the browser and Internet device. If you don't enable them, you'll see less targeted promotion on your site.

You can change or revoke your consent at any time by clicking on the Cookies link in the footer of the website.